Sunday, 24 November 2024

Bacteria found in asteroid sample – but they're not from space

 

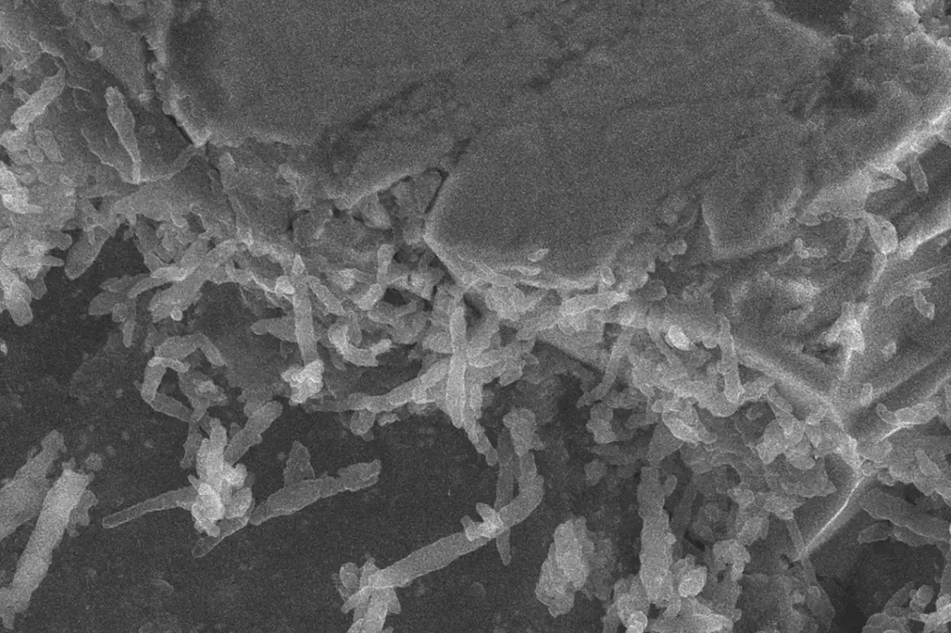
Image courtesy of Matthew J. Genge et al. 2024

Joel Kontinen

The unexpected discovery of microbial life in a piece of rock from an asteroid show how hard it is to avoid contaminating samples. It was brought back on a sample from the Ryugu asteroid.

So the bacteria was probably produced on Earth, which speaks of contamination. As only God can create living things.

A rock from the asteroid Ryugu that was brought back to Earth appears to be festooned with microbial life. But these microbes almost certainly came from Earth rather than outer space, say researchers. This contamination serves as a cautionary tale in the search for extraterrestrial life in future sample return missions, such as from NASA’s Perseverance rover on Mars.

In 2020, Japan’s Hayabusa 2 spacecraft returned to Earth with 5.4 grams of rock from the 4.5-billion-year-old asteroid Ryugu. After the sample capsule landed in Australia, it was transported to a custom-built facility in Sagamihara, Japan. There, the capsule was first opened inside a vacuum room, itself located within a clean room, before moving to a pressurised nitrogen-filled room for longer-term storage. From there, parts of the sample could be put inside nitrogen-filled containers and sent out for researchers to study.

One of these samples was sent to the UK to be studied by Matthew Genge at Imperial College London and his colleagues. Genge and his team initially scanned the sample using X-rays, which showed no evidence of bacteria.

The millions of years is not based on science.

Source: 

Alex Wilkins 2024 Bacteria found in asteroid sample – but they're not from space | New Scientist22 November